Acoplamiento de ventiladores
Hojas Técnicas
En instalaciones importantes de ventilación, cuando es necesario disponer de caudales o presiones con grandes variaciones, puede resultar conveniente dotarlas de aparatos acoplados de forma que, trabajando en conjunto o bien separados, proporcionen la prestación exigida en cada momento. Si las variaciones necesarias son discretas, puede bastar un único aparato con un sistema de regulación, pero cuando sean precisas unas prestaciones doble o triple o más de la simple, hay que recurrir a un sistema de acoplamiento.
Con este trabajo pretendemos mostrar de forma indicativa cómo varían las prestaciones del sistema según sea el acoplamiento. Los aparatos de ventilación pueden instalarse en Serie, en Paralelo o bien de forma Mixta.
1. Acoplamiento en serie
Este sistema consiste en conectar los ventiladores uno a continuación del otro, Fig. 1. O bien dentro de un mismo conducto en el que se mantenga la misma dirección del flujo del aire, Fig. 2.

Fig. 1. Ventiladores axiales acoplados en serie

Fig. 2. Ventiladores centrífugos acoplados en serie
En general, y más cuando se trate de ventiladores centrífugos de forma que la descarga de uno es conducida a la entrada del otro, la curva característica de la presión resultante del acoplamiento es aproximadamente doble, como la representada en la gráfica de la Fig. 3. 
Fig. 3. Ventiladores axiales acoplados en serie
Estudiando más detenidamente el asunto y suponiendo que los dos aparatos sean iguales y que las curvas representativas de sus presiones estática y total sean las de la Fig. 4, la presión resultante para el conjunto se obtiene sumando las ordenadas de la presión estática del primer ventilador a las de presión total del segundo: PE = Pe + Pt . En todo momento el caudal de conjunto será el que daría un sólo ventilador correspondiente a la presión dinámica Pd = Pt - Pe con presión estática PE.

Fig. 4. Formación de la característica de ventiladores en serie
En el punto M, o sea en el que los ventiladores de trabajar solos, individualmente darían el caudal máximo, en descarga libre con presión estática cero, P = O, resulta que el conjunto formado por los dos aparatos en serie es capaz aún de una presión estática de ordenada MN pudiendo llegar a alcanzar el caudal de abscisa R, cuando PE = O. Este sobrecaudal MR, que en estas condiciones podrían llegar a dar los aparatos, puede comprometer la seguridad de los motores por la sobrecarga que les representa.
En el caso de características diferentes, la resultante se obtiene de forma parecida a antes, en donde Pe correspondiente a la presión estática del primer ventilador y Pt a la presión total del segundo, PE es la suma de ambas presiones y corresponde a la presión estática del conjunto.
Tanto en un caso como en el otro debe cuidarse que el punto de trabajo del acoplamiento esté por encima del punto N de la característica, tal como el A del sistema 1, Fig. 4, pues en caso de un sistema como el 2 con un punto de presión y caudal inferiores al que se lograría con el ventilador V2 trabajando solo.
Mucho más difícil es determinar a priori la característica resultante cuando los ventiladores acoplados son axiales y cuyas hélices están físicamente próximas como es el caso de estar montadas dentro de la misma carcasa, Fig. 1. Sólo con ensayos de laboratorio pueden obtenerse las curvas correspondientes.
A la descarga de un ventilador axial el aire tiene movimiento helicoidal perdiéndose parte de la energía de que es capaz. Si conectamos dos ventiladores en serie con el mismo sentido de giro los efectos del movimiento helicoidal de uno vendrá incrementado por el giro del otro lográndose un insignificante aumento de presión a un coste doble, Fig. 5.

Fig. 5. El aire a la descarga de un ventilador axial tiene un sentido rotacional
Una directriz fija a la descarga del primer ventilador antes del segundo elimina el flujo rotacional y hace que el resultado se acerque al teórico.
Un sistema eficaz es hacer que el segundo ventilador gire en sentido contrario que el primero. La disposición se llama "a contrarrotación" con lo que se logran presiones de hasta tres veces la de un solo ventilador. Con este sistema no hacen falta directrices y el segundo ventilador recibe el aire en dirección opuesta a la rotación con lo que aumenta la velocidad relativa de rotación y un incremento notable de presión, Fig. 6.

Fig. 6. Características comparadas
Pero el diseño de la hélice segunda debe ser especial tanto en inclinación y número de sus álabes como en el dimensionado del motor de accionamiento. Dos ventiladores de serie, iguales, no pueden acoplarse directamente a contrarrotación.
2. Acoplamiento en paralelo
Dos o más ventiladores se acoplan en paralelo cuando aspiran del mismo lugar y descargan hacia el mismo sentido en la canalización, uniendo allí sus caudales. La curva característica resultante de las de los aparatos acoplados se halla sumando los caudales correspondientes a cada presión, esto es, para cada ordenada (presión) la abscisa del caudal resultante q se obtiene de la suma de las abscisas de los caudales de los ventiladores acoplados q 1 + q 2 tal como se indica en la gráfica de la Fig. 7.

Fig. 7. Curva característica resultante de dos ventiladores desiguales en paralelo
Enseguida se deja ver que el caudal conseguido con dos aparatos en paralelo no es nunca la suma de los que se conseguirá con cada uno de los ventiladores trabajando solo, ya que la característica del sistema no será una horizontal, sino más bien una curva de segundo grado como la 1 de la misma figura a la que corresponde un caudal 0-3 menor a todas luces que el 0-1 más el 0-2.
Es muy importante estudiar cuidadosamente la forma de la curva característica resultante en función del punto de trabajo a que se obligue la característica del sistema acoplado, ya que puede presentarse un régimen completamente inestable produciéndose una oscilación del caudal. Tal es el caso representado en la Fig. 8 en donde la curva C representa la característica de un ventilador del tipo de álabes adelante en rodetes centrífugos y la curva R la resultante de dos aparatos en paralelo de esta característica, y que se halla sumando las abscisas del modo descrito antes, o sea, para una abscisa de ordenada OM, por ejemplo, el punto resultante de los dos MA es AA, de los dos MB es el BB y de los dos MC el CC. Pero también es verdad que puede sumarse una rama descendiente de otro dando puntos como los BA suma del MB+MA, el CA suma de los MC+MA y el CB suma de los MC+MB; uniendo los puntos BA, CA, CB obtendremos un tramo de curva característica, como la señalada de trazo grueso, que es también una expresión posible de la resultante.

Fig. 8. Características de dos ventiladores iguales en paralelo
Si consideramos ahora una característica del sistema como la S, cortará a la resultante en tres puntos el 1, 2 y 3 con caudales q 1 , q 2 y q 3 distintos, dando lugar a un punto de trabajo inestable que oscilará entre estos tres valores pasando de uno a otro bombeando el fluído y consumiendo inútilmente una buena porción de energía. En este acoplamiento sólo será aceptable un punto de trabajo que está claramente alejado de la zona de inestabilidad descrita.
Aún resulta más delicada la cuestión cuando los dos ventiladores acoplados en paralelo tienen una característica francamente distinta, ya sea de forma o de magnitud como las C1 y C2 de la Fig. 9. La resultante R del tramo A al Q se obtienen sumando los caudales de ambas para una misma presión, igual como siempre, siendo el único tramo para puntos de trabajo aceptable, como el M, para el que el caudal es superior al conseguido con un solo aparato trabajando con el sistema 2. Ahora bien, si consideramos el sistema 1 y trabajando solamente el ventilador C2 tendremos en punto de trabajo Q2 con la presión O-p y el caudal p-Q2 . Si acoplamos ahora el ventilador C1, cuya presión máxima de la que es capaz O-p1, es netamente inferior a la O-p que está proporcionando el ventilador C2 se establecerá una corriente de fluido de sentido contrario a la de impulsión del ventilador C, debiendo restar al caudal p-Q2 este p-Q1 , para obtener el punto de trabajo QR que resultará con los dos aparatos en marcha, con un caudal P-QR inferior al p-Q2 del ventilador C2 trabajando solo. El tramo de curva característica p1 -B del ventilador C1 representa los caudales negativos o de contracorriente de este ventilador en función de las presiones superiores a su máxima posible propia. El tramo de curva resultante de A a B se obtiene restando las abscisas de la curva C1 , tramo p1 -B, de las del tramo AP0 de la C2.

Fig. 9. Formación de la característica de ventiladores desiguales en paralelo
Queda así pues de manifiesto lo perjudicial que resulta un acoplamiento en paralelo cuando la característica del sistema con la que se trabaje obligue a puntos situados en el tramo resultante con presiones superiores a la máxima capaz del menor ventilador.
3. Acoplamiento mixto
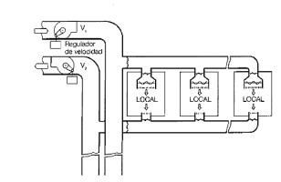
Cuando deban alcanzarse grandes porciones de ventilación entre márgenes muy amplios de variación suele recurrirse a acoplamientos múltiples de varias series de aparatos conectadas en paralelo. Es el caso, por ejemplo, en la ventilación de túneles con circulación de vehículos en donde el tráfico es muy variable alcanzando momentos álgidos y otros semivacíos. El dibujo de la Fig. 10 ilustra uno de estos casos, sacados de una instalación real, en la que juegan cuatro unidades de impulsión en paralelo compuestas de dos ventiladores en serie en cada una. Las diferentes combinaciones posibles de funcionamiento proporcionan caudales desde 50.000 m³/h hasta casi 600.000 m³/h, en ocho niveles distintos que pueden usarse según sea la polución a controlar o bien para casos de emergencia como en un incendio. La Fig. 10, las curvas de prestaciones, la Fig. 11 y la Tabla 1 correspondiente, explican por sí mismos este caso de acoplamiento mixto de ventiladores.

Fig. 10. Ventilación de un túnel de carretera

Fig. 11. Puntos de trabajo de ventiladores acoplados
|
|||||||||||||||||||||||||||||||||||||||||||||||||||||||||||||||
| E = Sólo para emergencia | |||||||||||||||||||||||||||||||||||||||||||||||||||||||||||||||
| Tabla 1. Prestaciones en función de las unidades de impulsión en servicio |