Circulación de aire por conductos III
Hojas Técnicas
1. Codos
En la Hoja Técnica Mecánica de Fluidos 1, Circulación de aire por conductos I, al tratar de los "Accidentes en las conducciones" y del método del coeficiente «n», en para el cálculo de la pérdida de carga, se ilustraba el caso de los codos en una canalización, codos simples de sección rectangular y codos circulares de una, dos y tres piezas.
En la Hoja Técnica Mecánica de Fluidos 1, Circulación de aire por conductos I, al tratar de los "Accidentes en las conducciones" y del método del coeficiente «n», en para el cálculo de la pérdida de carga, se ilustraba el caso de los codos en una canalización, codos simples de sección rectangular y codos circulares de una, dos y tres piezas.
Se continúa aquí con los codos en los que, por limitación del espacio disponible o por cuestiones de coste, no pueden utilizarse codos curvos. Para mitigar la pérdida de carga de codos rectos se recurre a dotarlos de aletas directrices, dos, tres o más, uniformemente distribuidas y que se extienden por toda la curvatura del codo. Las directrices pueden ser de grosor uniforme, de plancha, o bien adoptar perfiles aerodinámicos. La Fig. 1 reúne gráficamente las pérdidas de los diversos casos ilustrados y las proporciones que pueden adoptar las directrices de grosor aerodinámico.


Fig. 1. Codos en ángulo recto con directrices
La colocación de directrices con separación progresiva entre ellas en relación con la curvatura, práctica que distribuye de forma óptima el flujo al cambiar de dirección en el codo, puede decidirse con el uso de la gráfica de la Fig. 2 en donde, en función del radio interior y el exterior del codo y previa elección del número de directrices a colocar, de una a tres, se halla el radio y con ello la situación de cada directriz. Un ejemplo sobre la misma figura ilustra del procedimiento.

Fig. 2. Óptima situación de las directrices en codos
En caso de un codo obtuso, mayor de 90° se trata con la gráfica de la Fig. 3, obteniéndose el coeficiente «n» de pérdida de carga para codos de sección rectangular o redonda y para ángulos hasta 170°.

Fig. 3. Codos en ángulo obtuso
2. Cambios de sección
Es muy frecuente que, por imperativos de la construcción en los edificios, se tenga que recurrir a cambios de sección, reducciones o aumentos del paso de los conductos, que se procurará siempre hacerlo de forma progresiva para minimizar las pérdidas.
Ello no obstante a veces hay que hacer los cambios de sección de forma brusca, por lo que hay que calcular las pérdidas. Las gráficas de la Fig. 4 trata de los cambios suaves progresivos, en función del ángulo bajo el que se produce la transición entre secciones.

Fig. 4. Cambios suaves progresivos
En las disminuciones no se distingue en cuanto a pérdidas entre conductos circulares o rectangulares. Sí, en cambio, en aumentos de sección existen ligeras diferencias que se reflejan en la gráfica.
Aunque los cambios bruscos de sección no responden a un buen diseño, sí que son habituales en casos de una campana, una cabina o un plenum que entregan a un conducto de mucha menor sección.
Cuando los cambios deben ser bruscos, de menor a mayor o viceversa, puede estimarse el coeficiente de pérdida de carga en función de la relación de diámetros y por medio de las gráficas de la Fig. 5.

Fig. 5. Cambios bruscos de sección.Coeficientes «n» de pérdida de carga referidos a la velocidad del aire en D
En caso de una disminución brusca los bordes tienen una influencia decisiva en el coeficiente de pérdidas.
En la gráfica pueden verse los valores que corresponden a bordes con aristas vivas. Redondeando un poco los mismos, el coeficiente desciende a valores ínfimos, como muestra la línea de trazos discontinuos.
Un caso especial es la entrada de un local a un conducto, D1 = ∞, que puede tomarse para el valor D/D1 = 0, un coeficiente «n» = 0,5 aprox.
En expansiones bruscas puede considerarse el caso especial de descarga de un conducto a un local, D1 = ∞, con lo que D/D1 = 0, y un coeficiente «n» = 1.

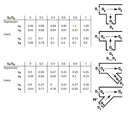
La convergencia y bifurcación de caudales, esto es la unión y separación de los mismos, da lugar a una gran variedad de soluciones.
Conductos circulares y rectangulares, uniones en forma de "T" o de "Y" y, éstas, de inclinaciones de 20°, 30° ó 45° y piezas intermedias cónicas para empalmar secciones de distintos valores. Todo ello conduce a múltiples tablas con profusión de datos relativos a los coeficientes «n» de pérdida de carga para la rama principal y auxiliares.
Todos vienen dados en función de la relación de caudales, que a su vez son iguales a la relación de las secciones de los conductos multiplicadas por las velocidades de aire que circulan por ellos, o sea: Q / Q = S V / S V; Q / Q = SV / SV con lo que las tablas resultan de varias entradas.
Sólo a título orientativo se muestra la Fig. 6 con unas tablas simplificadas de variantes.
Los valores negativos de «n» representan "facilidad" de carga, en vez de "pérdida", provocada por una relación de caudales a través de unas secciones y velocidades de aire concretas.

Fig. 6. Separación y unión de caudales
En las Figs. 7 y 8 se dan los coeficientes «n» de pérdida de carga de diversas salidas de conductos.

Fig. 7. Salidas de conductos

Fig. 8. Salidas de conductos
Las salidas verticales de los conductos de ventilación a través del tejado, protegidas de la lluvia por un sombrerete, como indica la Fig. 9, no son recomendables por cuanto dirigen hacia abajo los gases expulsados que, con la velocidad conferida por la salida, pueden difundirse por el tejado y las paredes altas del edificio, con ventanas, e introducirse de nuevo en el mismo. La pérdida de carga, además, es muy importante en este caso.

Fig. 9. Salidas por el tejado
Una buena forma de resolverlo es dotar la salida con una envolvente tubular con la disposición y dimensiones que se indican en la misma figura, que actúa como tobera de difusión vertical y a la vez drena la posible agua de lluvia que se introduzca por la boca, que desciende pegada a las paredes internas. La pérdida de carga es mucho menor, además.