Presurización de locales
Hojas Técnicas
Es el caso de cabinas o túneles de pintura en las que se exige la más absoluta ausencia de polvo que de existir se adheriría a las superficies recién pintadas o bien en grandes naves con estructuras metálicas, granjas agropecuarias por ejemplo, en las que las entradas de aire incontroladas, cuando se ventila por extracción, acarrean humedad del exterior condensando en las armaduras metálicas del edificio que acaba produciendo herrumbres nocivas.
La ventilación por sobrepresión, con impulsión de aire cuya pureza puede controlarse, provoca una presión dentro del local que determina la salida del mismo por aberturas dispuestas al efecto y, también, por orificios, rendijas, intersticios de la construcción o porosidad de las paredes, techos y suelos, con lo que se evita la entrada por estas aberturas incontroladas del polvo, la humedad u otros gases exteriores no deseados.
La determinación de los ventiladores que deben instalarse para conseguir una sobrepresión concreta presenta una cierta complejidad que se presenta a grandes rasgos en esta Hoja Técnica.
1. Parámetros que intervienen
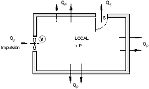
Sobre el croquis de un local representado en la Fig. 1 describiremos los parámetros que juegan en una presurización.
• 'V' Es el ventilador que impulsa el aire al local.
• 'Qv' Es el caudal de aire (m³/h) que inyecta el ventilador V.
• 'Qs' Caudal de aire que sale por las aberturas funcionales (puertas, ventanas, rejillas, etc.)
• 'Qp' Caudal de aire que escapa por los orificios invisibles del local (porosidad de paredes y techos, rendijas, etc.)
• 'P' Es la sobrepresión dentro del recinto. Un micromanómetro representado por un tubo en U nos da su valor.

Fig. 1. Croquis de un local

Fig. 1a. Cabina de pintura

Fig. 1b. Granja agropercuaria
Analizando estos parámetros vemos que lo que ofrecerá mayor dificultad para su determinación será el caudal a través de los orificios invisibles, o sea la suma de los caudales Qp.
Para conocer la sobrepresión dentro del local, o sea P, y establecer a la vez un posible cálculo es conveniente ver el problema a partir de un conjunto de supuestos.
Uno de ellos, el más sencillo, para presurizar un recinto como el de la Fig. 1 consiste simplemente en impulsar aire mediante un ventilador, que hemos representado por V.
Del caudal Qv que impulsa este aparato, una parte Q saldrá del local por las aberturas funcionales (puertas, ventanas, rejillas) dispuestas para esta finalidad y otra parte escapará por orificios invisibles como porosidad de las paredes, rendijas en techos y suelos, etc. Todas las salidas serán más o menos resistentes al paso del aire según sea su estanquidad.
Es fácil suponer que tanto Qv como Qp dependerán de la sobrepresión P que reine en el interior del recinto, de modo que al variar ésta variarán aquéllas. Ambos están ligados por la función:
Qs + Qp = K √P
La constante K puede determinarse experimentalmente o bien calcularla como veremos más adelante.
Si sobre unos ejes coordenados representamos esta función tendremos la gráfica de la característica resistente del sistema, Fig. 2. Si a continuación dibujamos la característica del ventilador V, obtendremos el punto de trabajo T al que corresponde la presión PT de presurización del local.

Fig. 2. Gráfica de la característica resistente al sistema
Podría ser que por unas razones u otras, la presión P obtenida se considerara excesiva y no interesara aumentar la salida de aire funcional S dispuesta, para rebajar la característica resistente OT. En este caso se puede solucionar el problema instalando un segundo ventilador, que llamaremos extractor, y que viene representado por E en la Fig. 3, con lo que se aminora la presión que provoca el ventilador V trabajando solo.


Fig. 3. Local con exfiltraciones
2. Local hermético
Es decir, que las paredes, las puertas y construcción en general sean absolutamente estancos. Se cumpliría que:
Qs = Qp = 0
Todo el caudal que se impulsa al recinto se hace a través del Ventilador V y todo el que sale del mismo lo hace por el extractor E.
El ventilador V provoca una sobrepresión mientras que el extractor tiende a crear una depresión.
El ventilador V trabaja en la zona que la Fig. 4 muestra como de presiones positivas, suministrando el caudal Qv y sobrepresionando el local con +Pv.

Fig. 4. Gráfica del Ventilador
Pero el extractor E no trabajará de la forma acostumbrada vehiculando aire desde un lugar a presión baja a otro a presión alta, sino que sacará aire del interior del recinto presurizado hacia el exterior que está a presión cero.
La característica del extractor E de la Fig. 4 muestra que la zona de trabajo será la indicada con línea de trazos, más allá de la descarga libre.
Hay que tener presente que si el extractor es del tipo centrífugo álabes adelante, aumenta mucho la potencia consumida cuando trabaja en esta zona pudiéndose quemar el motor eléctrico si no se dimensiona adecuadamente.
3. Local real, con exfiltraciones de aire
Trasladando el sistema de ventilador-extractor instalados en un local real, con aberturas funcionales y orificios invisibles, Fig. 3, tenemos que considerar que el caudal de aire impulsado no será igual al extraído por el aparato E, sino que parte del mismo saldrá por aquellas aberturas. Equilibradas las entradas y salidas bajo una sobrepresión dominante, es como debemos estudiar la situación.
El sistema alcanzará el equilibrio cuando la presión Pv a que trabaje el ventilador V se iguale a la PE del extractor E, con lo que la diferencia de los caudales respectivos Qv - QE será igual a Qp - Qs.
Para determinar este punto de equilibrio puede construirse la gráfica (P, Qv - QE) a partir de las características de los dos aparatos V y E, procediendo como sigue:
Sobre la gráfica del ventilador V de la Fig. 5 se marca la presión P1 encontrando el caudal Qv1y lo mismo sobre la característica del extractor E, a la presión -P1 veremos que le corresponde el caudal QE1.

Fig. 5. Gráfica del Ventilador
Sobre unos ejes situaremos un punto 1, (P1, Qv1 - QE1). Procediendo igual para otras presiones P2, P3, etc. situaremos los puntos 2, 3, etc. que nos llevarán a dibujar toda la gráfica de la característica conjunta de los dos ventiladores, Fig. 6.

Fig. 6. Gráfica de la característica conjunta de dos ventiladores
Si luego representamos sobre la misma la curva resistente Qs + QE = K √ P mencionada al principio, hallaremos el punto de trabajo T' al que le corresponderá una presión PT' más baja que la que se obtenía, la PT de la Fig. 2 con un solo ventilador trabajando, el V.
Determinación de la constante K
El caudal a través de una abertura en una pared, o un orificio cualquiera, de sección S, que separa dos recintos con una diferencia de presión P entre ellos, puede calcularse por medio de la expresión siguiente:
Q = 0,827 S √P
En donde Q está en m³/s y P en Pa
Si las aberturas son funcionales, como puertas, ventanas, rejillas, etc. se determinará el valor de S midiendo la sección de las mismas y sumando el de la superficie libre de todas ellas.
Para el caso de porosidades pueden tomarse los valores aproximados de la Tabla 1.
|
||||||||||||||||||||
| Tabla 1. Porosidad | ||||||||||||||||||||
La constante K valdrá:
K = 0,827 (Ss + Sp)
en donde:
• Ss = Superficie libre de salida del aire.
• Sp = Suma de los valores de las distintas porosidades, rendijas, etc.